Proportional pressure regulating valve VPPA
• Excellent dynamic response
• Compatible with common communication protocols
• Long service life

Gas interface 1, 2, 3 | G1/8 | |
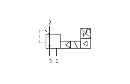
Structure features, valve function | Pilot diaphragm type pressure reducing valve, three-way proportional pressure regulating valve | |
Safety function Remarks | Safe positionVPPA | |
Sealing principle | Soft seal | |
Driving mode | Electric drive | |
| Control mode | Pilot control via two position two way valve | |
Installation mode | Through hole | |
Installation position | Any, preferably placed vertically | |
Nominal diameter | Exhaust port [mm] | 5 |
| Air intake [mm] | 2.5 | |
| Standard rated flow | See table below | |
Electrical interface | Plug, round, 5 pin, M12×1 | |
Operating voltage range [V DC] | 21.6...26.4 | |
Operating voltage indication | LED | |
Afterwave [%] | 10 | |
Maximum power consumption [W] | 4.2 | |
Maximum current loss [mA] | 160 | |
Signal range for analog input/output | Voltage [V DC | 0...10 |
Current[mA] | 4...20 | |
Short-circuit protection/polarity fault-tolerant protection | Applicable to all electrical interfaces | |
| Switch output | PNP | |
| Protection class | IP65 | |
VPPA | 3 | 1 | 1/8 | 2 | 005 | |
Proportional pressure control valve | ① | ② | ③ | ④ | ⑤ | |
| ① | Valve function | 3= three-way valve | ||||
| ② | Valve function | 1= Normally closed | ||||
| ③ | Air coupling | 1/8-= Internal thread G1/8 | ||||
| ④ | Pressure adjustment range | 2=0.02...2bar;6=0.06 ... 6 bar;10=0.1 ... 10 bar | ||||
| ⑤ | Set value input for a single valve | 005=0 ... 5 V;010=0 ... 10 V;420=4 ... 20 mA | ||||
Add: 38 Longhui Road, National High-tech Zone, Changzhou City, Jiangsu Province
Service hotline: 4008884198
Postal Code: 213169
E-mail:[email protected]

Hengli Pneumatic

Hengli douyin

Add wechat

View wap
4008884198
